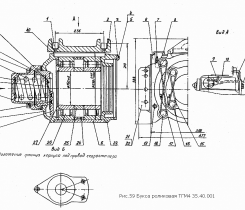
Букса роликовая ТГМ4.35.40.001
Букса роликовая ТГМ4.35.40.001 — это узел тележки маневрового тепловоза серии ТГМ4, предназначенный для установки колесной пары с роликовыми подшипниками. Она обеспечивает надежное восприятие нагрузок от колесной пары, передачу их на раму тележки и плавность хода локомотива.
Характеристика
- Обозначение: ТГМ4.35.40.001.
- Тип: роликовая букса для колесной пары тепловоза.
- Материал корпуса: литая сталь (20Л, 25Л).
- Подшипники: роликовые конические, двухрядные.
- Диаметр шейки оси: ~130–150 мм (стандарт РУ1).
- Масса буксы: ~120–150 кг (в зависимости от исполнения).
- Смазка: пластичная (солидол, ЦИАТИМ‑221) или жидкая (И‑40А).
- Конструкция:
- литой корпус,
- крышка буксы,
- уплотнительные элементы,
- роликовые подшипники,
- стопорные кольца,
- масляная ванна.
Применяемость
- Маневровые тепловозы серии ТГМ4 и их модификации.
- Используется в составе колесных пар тележки тепловоза.
- Совместима с осью типа РУ1.
- Применяется на промышленных и магистральных путях для маневровой работы.
Особенности конструкции
- Роликовые подшипники обеспечивают меньший износ и более плавный ход по сравнению с буксами скольжения.
- Унификация — совместимость с колесными парами стандартного исполнения.
- Надежность — рассчитана на длительную эксплуатацию при нагрузке до 20 т на ось.
- Обслуживание — требует регулярной смазки и контроля состояния уплотнений.
Сводная таблица
|
Параметр |
Значение / характеристика |
|
Обозначение |
ТГМ4.35.40.001 |
|
Тип |
Роликовая букса |
|
Материал корпуса |
Литая сталь 20Л, 25Л |
|
Диаметр шейки оси |
~130–150 мм |
|
Масса |
~120–150 кг |
|
Подшипники |
Конические роликовые, двухрядные |
|
Смазка |
Пластичная/жидкая |
|
Применяемость |
Тележки тепловоза ТГМ4 |
Букса роликовая ТГМ4.35.40.001 — это ключевой элемент тележки тепловоза ТГМ4, обеспечивающий надежную работу колесной пары, снижение износа и плавность хода локомотива.
Купить буксу роликовую ТГМ4.35.40.001тепловоза можно по безналичному расчету.

